欢迎来到常熟市恒通冷气机厂网站!
联系我们
常熟市恒通冷气机厂
地址:常熟市虞山高新技术产业园宁波路186号
电话:0512-52897078/51538078
传真:0512-52879509
邮箱:hengtong@htlqj.com
邮编:215500

产品详细

17

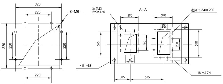
产品名称: T-4 整体外形尺寸图

发布日期: 2018-12-26

点击数: 2211

询价: 点击产品询价

二维码:

产品详情

网站首页 / 关于我们 / 产品展示 / 厂房车间 / 新闻资讯 / 资质荣誉 / 联系我们 / 恒通邮局

地址:常熟市虞山高新技术产业园宁波路186号     电话:0512-52897078/51538078
传真:0512-52879509    邮箱:hengtong@htlqj.com     邮编:215500

友情链接: 苏州钣金厂 无纺设备 无油螺杆真空泵 非标螺丝 淋膜无纺布 香港基因检测 苏州防雷 常熟食堂承包 

COPY RIGHT © 2016 HYTBC.COM 常熟市恒通冷气机厂 ALL RIGHTS RESERVED. 苏ICP备10211438号-1 技术支持:仕德伟科技